@ Ma clim ne fuit pas et ne se déclenche pas ( )
-
ag17
- Donateur 2016 & 2019 [Merci !]
- Messages : 1868
- Inscription : 04 janv. 2010, 11:27
- Localisation : FRANCE- (79) - Deux Sèvres -
Re: @ Ma clim ne fuit pas et ne se déclenche pas ( )
Après tout ce qui a été dit et fait ...reste plus qu'à alimenter en direct le compresseur pour vérifier si l'embrayage est opérationnel et son fonctionnement "normal",
.
- mac-avant
- Messages : 638
- Inscription : 30 janv. 2011, 07:23
- Localisation : FRANCE - (92) - Hauts de Seine
Re: @ Ma clim ne fuit pas et ne se déclenche pas ( )
Il claque pas, il est claqué?
"désolé pour mes fautes d'orthographes ! Antony "
-
olive78
- Messages : 877
- Inscription : 13 mars 2007, 23:57
- Localisation : FRANCE - (78) - Yvelines - Maisons-Laffitte
Re: @ Ma clim ne fuit pas et ne se déclenche pas ( )
Quand tu mets du 12V directement dessus ?
Sinon, je repense à un truc (si besoin), avec la Clip, tu peux forcer l'activation du compresseur.
Si cela fonctionne, ça prouve que tout le câblage entre le BCH et le compresseur est OK.
Sinon, je repense à un truc (si besoin), avec la Clip, tu peux forcer l'activation du compresseur.
Si cela fonctionne, ça prouve que tout le câblage entre le BCH et le compresseur est OK.
-
brio77
- Donateur 2008 & 2009 & 2010 & 2013 & 2016 [Merci !]
- Messages : 6875
- Inscription : 19 déc. 2006, 11:14
- Localisation : FRANCE - (35) Ille et Vilaine - DINARD
Re: @ Ma clim ne fuit pas et ne se déclenche pas ( )
Il faut que tu m'explique comment on fait, car tu en as parlé plusieurs fois sur AC, mais je ne sais pas comment on fait, car le compresseur ne fait à priori pas parti des actuateurs que l'on peut commander. Faut que je re regarde.
-
olive78
- Messages : 877
- Inscription : 13 mars 2007, 23:57
- Localisation : FRANCE - (78) - Yvelines - Maisons-Laffitte
Re: @ Ma clim ne fuit pas et ne se déclenche pas ( )
Si, normalement tu as accès à la commande mais je ne sais plus si c'est dans le calculateur de clim ou le calculateur d'injection, regarde les deux.
Sinon, je l'ai déjà fait avec DDT2000, mais avec les conséquences que j'ai de nombreuses fois évoquées, la déprogrammation de la configuration Avantime de la climatisation...
Sinon, je l'ai déjà fait avec DDT2000, mais avec les conséquences que j'ai de nombreuses fois évoquées, la déprogrammation de la configuration Avantime de la climatisation...
-
brio77
- Donateur 2008 & 2009 & 2010 & 2013 & 2016 [Merci !]
- Messages : 6875
- Inscription : 19 déc. 2006, 11:14
- Localisation : FRANCE - (35) Ille et Vilaine - DINARD
Re: @ Ma clim ne fuit pas et ne se déclenche pas ( )
Bon, en shuntant la prise du pressostat où arrive bien le 12, le compresseur démarre. Mais il ne fait pas de froid alors que j'ai toujours du gaz..... donc, prochaine étape, modifier le montage du pressostat qui en fait n'est pas équipé pour libérer le gaz du circuit en appuyant sur la valve quand on le monte sur la bouteille deshydratante. Ensuite démontage du compresseur pour voir pourquoi il ne fait pas de froid.....
- Spaza
- Messages : 4864
- Inscription : 24 avr. 2011, 23:29
- Localisation : FRANCE - (57) - Moselle - Vallée de la Fensch
Re: @ Ma clim ne fuit pas et ne se déclenche pas ( )
J ai la impression que le capteur sur la bouteille deshydrateur est cassé. Il est séparé de la bouteille
J ai plus de clim
Comment se monte le capteur ?
Faut il recharger ?
Quel capteur acheter?
J ai plus de clim
Comment se monte le capteur ?
Faut il recharger ?
Quel capteur acheter?
- Spaza
- Messages : 4864
- Inscription : 24 avr. 2011, 23:29
- Localisation : FRANCE - (57) - Moselle - Vallée de la Fensch
Re: @ Ma clim ne fuit pas et ne se déclenche pas ( )
Comme le capteur semble mécanique. ..
J ai recolle l embase .. .
Quand j appuie sur le bouton clim on sent la charge du compresseur sur le moteur et la mise en marche du ventilateur près des radiateurs .
J ai recolle l embase .. .
Quand j appuie sur le bouton clim on sent la charge du compresseur sur le moteur et la mise en marche du ventilateur près des radiateurs .
-
@SPAZA
- Messages : 96
- Inscription : 09 avr. 2013, 19:19
- Localisation : FRANCE - (57) - Moselle - A coté de Maitre Yoda
Re: @ Ma clim ne fuit pas et ne se déclenche pas ( )
Tout compte fait, je sais pas si le compresseur va
Comment on le vérifié. .. le clac ...?
Comment on le vérifié. .. le clac ...?
-
ag17
- Donateur 2016 & 2019 [Merci !]
- Messages : 1868
- Inscription : 04 janv. 2010, 11:27
- Localisation : FRANCE- (79) - Deux Sèvres -
Re: @ Ma clim ne fuit pas et ne se déclenche pas ( )
Si la poulie folle qui tourne sur le compresseur en permanence, est collée par l'embrayage électromécanique (le clac), et donc que le compresseur est entrainé, si pas de froid, c'est soit compresseur HS, soit charge de gaz manquante ou insuffisante et peut-être fuite

- Spaza
- Messages : 4864
- Inscription : 24 avr. 2011, 23:29
- Localisation : FRANCE - (57) - Moselle - Vallée de la Fensch
Re: @ Ma clim ne fuit pas et ne se déclenche pas ( )
Ça s'entend en étant devant ?
-
brio77
- Donateur 2008 & 2009 & 2010 & 2013 & 2016 [Merci !]
- Messages : 6875
- Inscription : 19 déc. 2006, 11:14
- Localisation : FRANCE - (35) Ille et Vilaine - DINARD
Re: @ Ma clim ne fuit pas et ne se déclenche pas ( )
Ou détendeur HS, ou bouteille déshydrante.... C'est chiant ces clims, moi je roule en grand air... Et c'est vrai qu'en Bretagne c'est moins étouffant, quoi que aujourd'hui, la vache ! 25°C.... 
-
olive78
- Messages : 877
- Inscription : 13 mars 2007, 23:57
- Localisation : FRANCE - (78) - Yvelines - Maisons-Laffitte
Re: @ Ma clim ne fuit pas et ne se déclenche pas ( )
Oui, on entend clairement le clac lorsque l'embrayage du compresseur se déclenche. Devant le moteur, et aussi de l'habitacle avec une vitre avant ouverte.
Il faut avoir mis en marche la clim sur la tortue conducteur (flocon allumé).
Le symptôme que tu donnes indique que le compresseur se déclenche:
Il faut avoir mis en marche la clim sur la tortue conducteur (flocon allumé).
Le symptôme que tu donnes indique que le compresseur se déclenche:
As-tu du froid ?Quand j appuie sur le bouton clim on sent la charge du compresseur sur le moteur et la mise en marche du ventilateur près des radiateurs .
- Spaza
- Messages : 4864
- Inscription : 24 avr. 2011, 23:29
- Localisation : FRANCE - (57) - Moselle - Vallée de la Fensch
Re: @ Ma clim ne fuit pas et ne se déclenche pas ( )
Non, mais je ai pas entendu de clac .. .
Et Comme les ventilateurs démarrent, je pense que ce que j ai pris pour mise en charge compresseur
C'est le démarrage des ventilos
Il faut que je démonté le pressostat qui était séparé en deux avant tentative de collage .
Comme il contient 3 contacts , je pense que la liaison mécanique du pressostat ne fait plus bouger les contacts. Donc rien ne va !
Je pense que sur la bouteille y a une valve .
Le capteur de Olive78 est il bon ?
What is the question ?
Et Comme les ventilateurs démarrent, je pense que ce que j ai pris pour mise en charge compresseur
C'est le démarrage des ventilos
Il faut que je démonté le pressostat qui était séparé en deux avant tentative de collage .
Comme il contient 3 contacts , je pense que la liaison mécanique du pressostat ne fait plus bouger les contacts. Donc rien ne va !
Je pense que sur la bouteille y a une valve .
Le capteur de Olive78 est il bon ?
What is the question ?
- Spaza
- Messages : 4864
- Inscription : 24 avr. 2011, 23:29
- Localisation : FRANCE - (57) - Moselle - Vallée de la Fensch
Re: @ Ma clim ne fuit pas et ne se déclenche pas ( )
Voici une bouteille déshydratation pour dci avec valve
-
ag17
- Donateur 2016 & 2019 [Merci !]
- Messages : 1868
- Inscription : 04 janv. 2010, 11:27
- Localisation : FRANCE- (79) - Deux Sèvres -
Re: @ Ma clim ne fuit pas et ne se déclenche pas ( )
Le clac est , en principe, perceptible(pas de l'intérieur de l'auto) et surtout le changement de régime moteur, mais si c'est, je crois, un Dci, peut-être moins que sur un 2LT ou V6. Mais ce n'est pas parce que le "clac" s'entend que, l'embrayage est bon(donc usé ou entrefer à régler) et si il est bon, il se peut que les clapets soit usés voir cassés à l'intérieur, dans ce cas plus de compression suffisante et donc plus de détente de gaz et plus de froid. Si toutes les autres conditions sont bonnes, comme mentionné par Brio
. Le seul que j'ai ouvert(il doit y avoir plus de 30 ans) avait deux clapets cassés et je n'ai jamais trouvé de pièces de rechange
.
- Spaza
- Messages : 4864
- Inscription : 24 avr. 2011, 23:29
- Localisation : FRANCE - (57) - Moselle - Vallée de la Fensch
Re: @ Ma clim ne fuit pas et ne se déclenche pas ( )
Oui, mais je croix au pressostat cassé.
Je trouve pas ce capteur sous avantime ....
Si quelqu'un a des Infos je sis preneur ....
Je trouve pas ce capteur sous avantime ....
Si quelqu'un a des Infos je sis preneur ....
- Spaza
- Messages : 4864
- Inscription : 24 avr. 2011, 23:29
- Localisation : FRANCE - (57) - Moselle - Vallée de la Fensch
Re: @ Ma clim ne fuit pas et ne se déclenche pas ( )
Alors y a du 3 fils et du 4 fils
C'était aussi confus dans les schémas
Dci, c'est 4 fils ....
C'était aussi confus dans les schémas
Dci, c'est 4 fils ....
Re: @ Ma clim ne fuit pas et ne se déclenche pas ( )
Si ma mémoire est bonne, ce capteur est au niveau de la bouteille déshydratante et c'est vrai c'est fragile ce truc.
Avantime Privilège V6 gris acier PE2 inca, Rhodes 17 pouces
Avantime Privilege V6 scarabée ,PE1 amazonie , Olympie 18
Avantime dynamique V6 noir nocturne
Avantime Privilege V6 scarabée ,PE1 amazonie , Olympie 18
Avantime dynamique V6 noir nocturne
-
ag17
- Donateur 2016 & 2019 [Merci !]
- Messages : 1868
- Inscription : 04 janv. 2010, 11:27
- Localisation : FRANCE- (79) - Deux Sèvres -
Re: @ Ma clim ne fuit pas et ne se déclenche pas ( )
D'après ce que tu nous dis, ce serais bien par là(pressostat) et bien plus simple pour le dépannage. As-tu vérifié la poignée de fuse : F48 (50A), F33(20A) et pour le fun F27, on ne sait jamais
, un coup de bol
.
Un coup de lecture sur autre site et il semble que si c'est sur Dci, cela ne surprend plus personne: le décapitage du pressostat, qui serait sur la bouteille D
.
Un coup de lecture sur autre site et il semble que si c'est sur Dci, cela ne surprend plus personne: le décapitage du pressostat, qui serait sur la bouteille D
- Spaza
- Messages : 4864
- Inscription : 24 avr. 2011, 23:29
- Localisation : FRANCE - (57) - Moselle - Vallée de la Fensch
Re: @ Ma clim ne fuit pas et ne se déclenche pas ( )
c'est exactement ca, et comme il y a eu intervention sur alternateur bingo .....
- Spaza
- Messages : 4864
- Inscription : 24 avr. 2011, 23:29
- Localisation : FRANCE - (57) - Moselle - Vallée de la Fensch
Re: @ Ma clim ne fuit pas et ne se déclenche pas ( )
alors, voici la solution sauf erreur
MR avec les valeurs des contacts (3) pressostats qui sont comme sur la boite
donc le choix olive78 doit être bon
de toute façon, au vu du prix, je me lance ......
MR avec les valeurs des contacts (3) pressostats qui sont comme sur la boite
donc le choix olive78 doit être bon
de toute façon, au vu du prix, je me lance ......
-
brio77
- Donateur 2008 & 2009 & 2010 & 2013 & 2016 [Merci !]
- Messages : 6875
- Inscription : 19 déc. 2006, 11:14
- Localisation : FRANCE - (35) Ille et Vilaine - DINARD
Re: @ Ma clim ne fuit pas et ne se déclenche pas ( )
Il me semble que si le pressostat est naze, l'autorisation CLIM n'est pas donnée et donc pas de mise en route des ventilos ni du compresseur....
- Spaza
- Messages : 4864
- Inscription : 24 avr. 2011, 23:29
- Localisation : FRANCE - (57) - Moselle - Vallée de la Fensch
Re: @ Ma clim ne fuit pas et ne se déclenche pas ( )
Sans doute
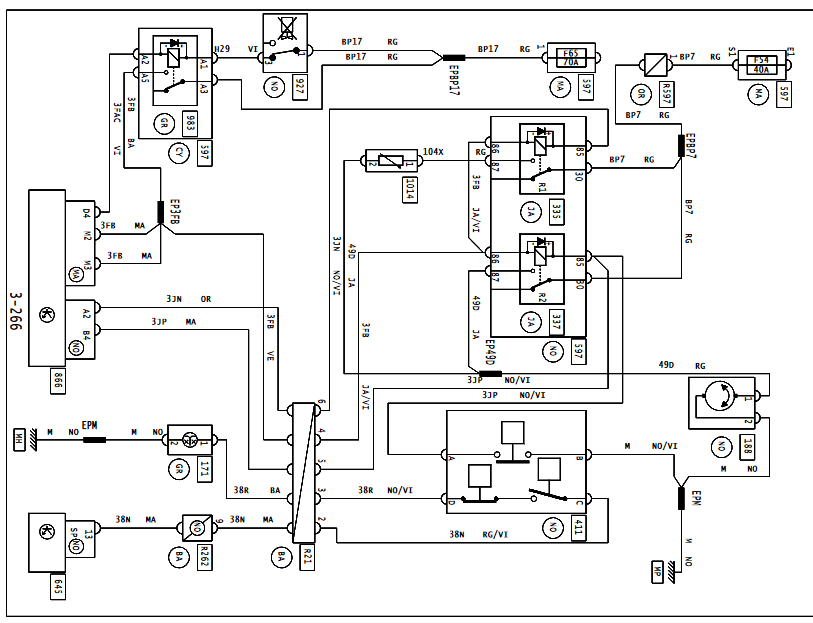
élément 411
la question est de savoir si le capteur de olive à priori monté sur v6 va pour un dci ?
Qui en a démonté un sur un dci ? des photos de référencE ou d'indications ?
élément 411
la question est de savoir si le capteur de olive à priori monté sur v6 va pour un dci ?
Qui en a démonté un sur un dci ? des photos de référencE ou d'indications ?
