Voila mon ami stefano a besoin de l'information du frein à main pour le branchement de son kit parrot.
Savez vous me dire ou il se trouve ?
@ Ou se trouve le contact frein à main ( ok )
- avantime91
- Messages : 1175
- Inscription : 20 nov. 2011, 15:30
- Localisation : FRANCE - (91) - Essonne - Breuillet
Re: @ Ou se trouve le contact frein à main ( )
Dans la console centrale du milieu sous l'accoudoir ,juste sur le coté du levier de frein .
Il faut dévisser la console pour y accéder
Juste sous la flèche rouge mais dans la console .
Il faut dévisser la console pour y accéder
- Spaza
- Messages : 4864
- Inscription : 24 avr. 2011, 23:29
- Localisation : FRANCE - (57) - Moselle - Vallée de la Fensch
Re: @ Ou se trouve le contact frein à main ( ok )
Voici un éclaté avec le contact de frein à main (repère 156)
- avantime91
- Messages : 1175
- Inscription : 20 nov. 2011, 15:30
- Localisation : FRANCE - (91) - Essonne - Breuillet
- Stefano
- Messages : 55
- Inscription : 07 févr. 2014, 18:25
- Localisation : ITALIA - (BS) - Provincia di Brescia - Capriolo
Re: @ Ou se trouve le contact frein à main ( ok )
Grazie,
io ho collegato il segnale al contatto della foto, ma non appare la segnalazione del freno tirato, forse ho qualcosa da impostare nell'asteroid mini .... devo ancora programmarlo
La prima foto è il contatto come era in origine; nella seconda con l'aggiunta del faston che sdoppia le linee del segnale
vi aggiorno appena ho nuovi sviluppi
io ho collegato il segnale al contatto della foto, ma non appare la segnalazione del freno tirato, forse ho qualcosa da impostare nell'asteroid mini .... devo ancora programmarlo
La prima foto è il contatto come era in origine; nella seconda con l'aggiunta del faston che sdoppia le linee del segnale
vi aggiorno appena ho nuovi sviluppi
Traducteur AP a écrit :Merci,
J'ai connecté le signal au contact de la photo , mais il semble que le message du frein tiré n'arrive pas , il doit y avoir quelque chose à configurer dans le parrot asteroidmini .... Je dois encore le programmer: shock:
la première photo est le contact tel qu'il était à l'origine, dans la seconde avec l'addition d'un doubleur de fiche faston
je vous donne des infos plus tard
- Spaza
- Messages : 4864
- Inscription : 24 avr. 2011, 23:29
- Localisation : FRANCE - (57) - Moselle - Vallée de la Fensch
Re: @ Ou se trouve le contact frein à main ( ok )
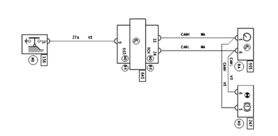
Stefano, Je pense que tu n'as pas besoin du signal du frein à main car d’après le schéma parrot, c'est " not used " .
- Spaza
- Messages : 4864
- Inscription : 24 avr. 2011, 23:29
- Localisation : FRANCE - (57) - Moselle - Vallée de la Fensch
Re: @ Ou se trouve le contact frein à main ( ok )
ACCÉLÉROMÈTRE TRANSVERSAL .....avantime91 a écrit :C'est quoi le repère 500 sur le schéma
- Stefano
- Messages : 55
- Inscription : 07 févr. 2014, 18:25
- Localisation : ITALIA - (BS) - Provincia di Brescia - Capriolo
Re: @ Ou se trouve le contact frein à main ( ok )
ho verificato lo schema che avevo stampato, non avevo notato la scritta in piccolo che non è attivo su questo modello il segnale del freno a mano ; c'è il filo ma non funziona
TraducteurAP a écrit :Je pense que c'est comme tu dis, que le signal du frein à main n'est pas utilisé sur ce modèle, il y a le fil que j'ai relié, cela ne fonctionne pas, le manuel ne mentionne pas cette fonctionnalité