Je vous expose mon idée pour les possesseurs, comme moi, d'un autoradio Philips 22DC769/62W TunerList dépourvu d'entrée AUX et de sortie ampli et souhaitant conserver l'affichage au tableau de bord.
Étant donné qu'il n'est pas possible de modifier simplement cet autoradio
- 1 / Augmenter la puissance de sortie.
- 2 / Rajouter une entrée AUX.
- 3 / Rajouter une sortie Ampli.
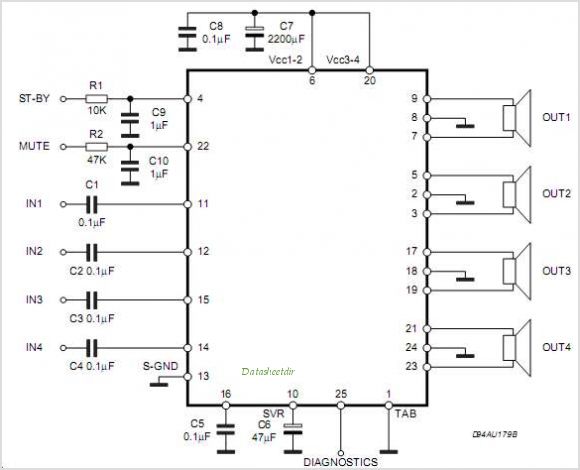
1 / Pour augmenter la puissance de sortie, il est possible de remplacer l'ampli Audio TDA7385 par un TDA7386 en respectant les valeurs fournies dans la documentation du 22DC779/62 mais pour avoir une puissance maximale comme préciser dans la doc du TDA7386 il faut une élévation de tension de son alimentation à 14.4V (petit montage à réaliser et valider).
2/ Pour l'entrée AUX le plus simple est d'utiliser le boitier Connects2 CTVRNX001 adapté au TunerList.
3 / Pour la sortie Ampli, rien de plus simple avec un cordon RCA soudé sur l'entrée de l'ampli TDA7385.
Je commence les essais ce week-end, je vous tiens au courant
