@ Inversion de la polarité Batterie ( )
@ Inversion de la polarité Batterie ( )
Bonjour à tous, j'ai bien l'impression que je vais passer pour le rantanplan de service, mais voila, ma batterie ne permettant pas de démarrer, je l'ai changée, mais j'ai inversé le sens de la batterie et donc la polarité. Étincelles au raccordement de la borne+ et ronronnement sous le capot, je l'ai débranchée de suite mais le mal était fait, voiture bloquée , plus de reconnaissance des clés, et boite bloquée sur P impossible à mettre sur N. Le voyant d'anti démarage clignote à toute vitesse même au delà des 2 minutes pour la reconnaissance.
Que faire ?
Quelqu'un a t il une solution ?
En attendant, meilleurs vœux aux avantimers.
Que faire ?
Quelqu'un a t il une solution ?
En attendant, meilleurs vœux aux avantimers.
-
renoforever
- Messages : 370
- Inscription : 02 avr. 2012, 17:25
- Localisation : PARIS
Re: @ Inversion de la polarité Batterie ( )
Normalement pour recharger une batterie on doit la débrancher du véhicule.
Cela permet d'éviter les conséquences fâcheuses que tu décris. Mais bon maintenant c'est fait, il faut réparer.
Quelqu'un a une idée ?
Correction : j'avais lu chargée et pas changée. D'où mon message incompréhensible ci-dessus
Cela permet d'éviter les conséquences fâcheuses que tu décris. Mais bon maintenant c'est fait, il faut réparer.
Quelqu'un a une idée ?
Correction : j'avais lu chargée et pas changée. D'où mon message incompréhensible ci-dessus
Dernière modification par renoforever le 31 déc. 2013, 13:02, modifié 1 fois.
Avantime Privilège V6 BVM gris acier intérieur cuir beige sahara nov 2001 139 000 kms, E85 depuis mai 2012
-
ag17
- Donateur 2016 & 2019 [Merci !]
- Messages : 1871
- Inscription : 04 janv. 2010, 11:27
- Localisation : FRANCE- (79) - Deux Sèvres -
Re: @ Inversion de la polarité Batterie ( )
Badaboum
A essayer, déconnecter la batterie et vérifier si la tension est redevenue "normale" puis la remettre en charge. Pendant ce temps relier les deux cosses de raccordements batterie de la voiture. Puis rebrancher le tout normalement en vérifiant que les voyants "vont mieux", si oui en réinitialisant ce qui doit l'être( vitres...) et faire un essai de mise en route...en souhaitant qu'il n'y ai pas eu de dégâts graves 
- Fanch77
- Donateur 2011 & 2012 [Merci !]
- Messages : 510
- Inscription : 17 févr. 2009, 16:25
- Localisation : FRANCE - (77) - Seine & Marne - Chelles
Re: @ Inversion de la polarité Batterie ( )
Aïe
Jamais bon une inversion de polarité sur des boitiers électroniques
Je pense que le B2i (boitier habitacle) en a pris un coup, mais avant toutes choses commence par vérifier tous les fusibles
Je pense que le B2i (boitier habitacle) en a pris un coup, mais avant toutes choses commence par vérifier tous les fusibles
V6 - Privilège - BVM - Steppe - PE2 Gris Volcan - Olympie 18" - Kit Sport AA - Devil simple + tube inox Brio - Acheté en 03/2004 à 18892km - 76490 km aujourd'hui. Roule en AVT depuis 02/2003 (Hélios Dci neuf jusqu'en 12/03).
Re: @ Inversion de la polarité Batterie ( )
Merci pour vos réponses, il s'agit d'une batterie neuve pas d'une rechargée, j'ai vérifié les gros fusibles coté batterie, ils sont bons.
Y en a-t-il un autre censé protéger le boitier en question ?
Y en a-t-il un autre censé protéger le boitier en question ?
Re: @ Inversion de la polarité Batterie ( )
Ag17, je ne comprends pas ce que tu veux dire par " Pendants ce temps relier les 2 cosses....."
- Spaza
- Messages : 4864
- Inscription : 24 avr. 2011, 23:29
- Localisation : FRANCE - (57) - Moselle - Vallée de la Fensch
Re: @ Inversion de la polarité Batterie ( )
Donc si j'ai bien compris, tu as mis une batterie neuve à l'envers et ensuite tu as branché le moins sur la borne plus batterie ( t'as du tirer un peu sur le fils...
), ensuite le plus, du coups sur le moins de la batterie, et la étincelle et ronronnement .
Je suppose que tu as enlevé de suite .....
Ensuite, tu remets la batterie et rien ne va ....
1: contrôler la batterie avec un voltmètre (mesurer la tension).
2: vérifier les fusibles ..... Donne moi le numero Nt .... qui se trouve dans la boite à fusible passager pour regarder le bon schéma (Et le modèle d'avantime). Avec cela on va pouvoir éventuellement te diriger sur le bon fusible si bon fusible , il y a !
Il se peut que des diodes anti retour sur des relais soit Hs. Par expérience, je sais que l’électronique de l'avantime n'aime pas les relais sans diode, entre autre le cd ....
Il faudra sans doute vérifier les relais un après l'autre
, mais çà se répare, le plus dur, c'est de savoir lequel !
3: l’électronique n'aime pas ces inversions, j’espère qu'elles sont protégées, cependant si tu n'as pas mis le contact avec la batterie inversée, seul les éléments sous tension en permanence peuvent souffrir .......
Avec de la chance, c'est la batterie qui a morflé uniquement ....
Je suppose que tu as enlevé de suite .....
Ensuite, tu remets la batterie et rien ne va ....
1: contrôler la batterie avec un voltmètre (mesurer la tension).
2: vérifier les fusibles ..... Donne moi le numero Nt .... qui se trouve dans la boite à fusible passager pour regarder le bon schéma (Et le modèle d'avantime). Avec cela on va pouvoir éventuellement te diriger sur le bon fusible si bon fusible , il y a !
Il se peut que des diodes anti retour sur des relais soit Hs. Par expérience, je sais que l’électronique de l'avantime n'aime pas les relais sans diode, entre autre le cd ....
Il faudra sans doute vérifier les relais un après l'autre
3: l’électronique n'aime pas ces inversions, j’espère qu'elles sont protégées, cependant si tu n'as pas mis le contact avec la batterie inversée, seul les éléments sous tension en permanence peuvent souffrir .......
Avec de la chance, c'est la batterie qui a morflé uniquement ....
- Spaza
- Messages : 4864
- Inscription : 24 avr. 2011, 23:29
- Localisation : FRANCE - (57) - Moselle - Vallée de la Fensch
Re: @ Inversion de la polarité Batterie ( )
Peut être un alternateur à vérifier au niveau des diodes ...
-
Pilou29
- Donateur 2016 [Merci !]
- Messages : 104
- Inscription : 12 avr. 2012, 11:50
- Localisation : FRANCE - (29) - Finistère - Quimper
Re: @ Inversion de la polarité Batterie ( )
Je ne comprend pas comment on peut faire une inversion de polarité sur une batterie, les bornes + et - ne sont normalement pas de même diamètre.
Es tu sur d'avoir acheté exactement la même batterie que celle que tu as changé, il y en a avec le + à gauche pour d'autres c'est à droite, là il y a risque d'inversion par simple contact.
Es tu sur d'avoir acheté exactement la même batterie que celle que tu as changé, il y en a avec le + à gauche pour d'autres c'est à droite, là il y a risque d'inversion par simple contact.
-
olive78
- Messages : 878
- Inscription : 13 mars 2007, 23:57
- Localisation : FRANCE - (78) - Yvelines - Maisons-Laffitte
Re: @ Inversion de la polarité Batterie ( )
Essaye ça, dès fois que...
- Spaza
- Messages : 4864
- Inscription : 24 avr. 2011, 23:29
- Localisation : FRANCE - (57) - Moselle - Vallée de la Fensch
Re: @ Inversion de la polarité Batterie ( )
Dans quel document as tu trouvé l'infos ?
- avantime91
- Messages : 1175
- Inscription : 20 nov. 2011, 15:30
- Localisation : FRANCE - (91) - Essonne - Breuillet
Re: @ Inversion de la polarité Batterie ( )
As tu tourné la clé avant de te rendre compte de ton erreur
Si oui ,c'est beaucoup plus grave qu'il n'y parait
Tout d'abord ,tu peux être sur que ton alternateur est HS et donc il te faut le changer avant de faire quoi que ce soit d'autre !
Il est même possible que tout remarche après son remplacement
Fait déjà ça et informe nous
Si oui ,c'est beaucoup plus grave qu'il n'y parait
Tout d'abord ,tu peux être sur que ton alternateur est HS et donc il te faut le changer avant de faire quoi que ce soit d'autre !
Il est même possible que tout remarche après son remplacement
Fait déjà ça et informe nous
-
ag17
- Donateur 2016 & 2019 [Merci !]
- Messages : 1871
- Inscription : 04 janv. 2010, 11:27
- Localisation : FRANCE- (79) - Deux Sèvres -
Re: @ Inversion de la polarité Batterie ( )
Relier les deux cosses ( plus et moins) du véhicule (sans la batterie !), puis tenter la manip "anti-démarrage" indiquée (avec la batterie dont la tension indique plus de 12,4 volts)... peut être
.
L'alternateur à peut-être un pont à 6 diodes au lieu de 9, et certains sont équipés d'une protection contre ce type de manip,( inversion de polarité avec un chargeur ), on peut rêver: Noël n'est pas si loin
, et des diodes cela se change, voir l'alternateur aussi... si ce n'est que cela
.
L'alternateur à peut-être un pont à 6 diodes au lieu de 9, et certains sont équipés d'une protection contre ce type de manip,( inversion de polarité avec un chargeur ), on peut rêver: Noël n'est pas si loin
- Spaza
- Messages : 4864
- Inscription : 24 avr. 2011, 23:29
- Localisation : FRANCE - (57) - Moselle - Vallée de la Fensch
Re: @ Inversion de la polarité Batterie ( )
Le nombre de diode importe peu ...
Si le courant de court circuit issus de la batterie a dépassé le courant admissible par les diodes de l'alternateur, les diodes seront mortes.
Car l'inversion de polarité de la batterie, se résume sur l'alternateur par un court circuit entre + et - à travers des diodes devenues passantes dans ce cas de branchement ( non passantes, dans le cas d'un branchement correct )
Si le courant de court circuit issus de la batterie a dépassé le courant admissible par les diodes de l'alternateur, les diodes seront mortes.
Car l'inversion de polarité de la batterie, se résume sur l'alternateur par un court circuit entre + et - à travers des diodes devenues passantes dans ce cas de branchement ( non passantes, dans le cas d'un branchement correct )
Re: @ Inversion de la polarité Batterie ( )
Bon, mon vaisseau est parti hier chez renault ils ont changé déjà 5 fusibles ( Je n'ai pas le détail pour l'instant) ils me disent ( ce qui confirme vos messages) que l'alternateur est à changer, le démarreur aussi ainsi que le faisceau qui part de la borne + sur lequel le il y a un fusible qui ne se remplace pas ?? ( prix du faisceau 1500€)+ le boitier de l'injection qui est hs. le garage me fait un devis que je devrais avoir jeudi. tout cela est à faire avant de savoir si il y a d'autres problèmes!! alors oui j'ai du un peu tirer sur le câble - pour le mettre en place . le contact en contre sens est reste quelques secondes avant que je ne me rendes compte de l'erreur. une fois que la batterie à été remise dans le bon sens, j'ai évidement essayé de le faire démarrer avec la clé de contact. Je suis désespéré, j' ai peur du devis de "pré-travaux" et de la suite à prévoir
Premier devis à l'instant, 3000,00€ comprenant :
l'alternateur
le démarreur
le faisceau
le calculateur injection
le remorquage et la MO
Et ceci sans garantie qu'il n'y ait pas d'autres surprises une fois cela changé....... Bonne année qu'ils disent !!
Premier devis à l'instant, 3000,00€ comprenant :
l'alternateur
le démarreur
le faisceau
le calculateur injection
le remorquage et la MO
Et ceci sans garantie qu'il n'y ait pas d'autres surprises une fois cela changé....... Bonne année qu'ils disent !!
- Spaza
- Messages : 4864
- Inscription : 24 avr. 2011, 23:29
- Localisation : FRANCE - (57) - Moselle - Vallée de la Fensch
Re: @ Inversion de la polarité Batterie ( )
Le démarreur, compte tenu que tu n'as pas tourné la clef avec la batterie inversée, je vois pas pourquoi !
D'ailleurs, quand tu as essayé de démarrer, tournait il ? Certainement pas si le fusible du câble est mort !
1500 euro pour le câble et un fusible, de qui se moque t on ?
D'ailleurs, quand tu as essayé de démarrer, tournait il ? Certainement pas si le fusible du câble est mort !
1500 euro pour le câble et un fusible, de qui se moque t on ?
- troublouse
- Messages : 539
- Inscription : 11 mars 2012, 21:00
- Localisation : FRANCE - (37) - Indre et Loire - Tours
Re: @ Inversion de la polarité Batterie ( )
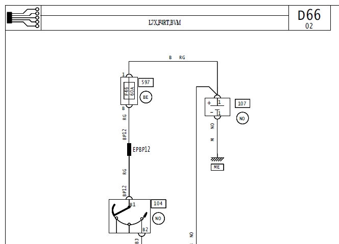
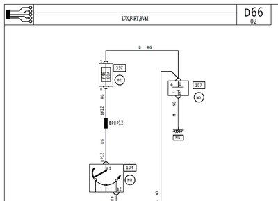
C'est ce fusible ?
- Spaza
- Messages : 4864
- Inscription : 24 avr. 2011, 23:29
- Localisation : FRANCE - (57) - Moselle - Vallée de la Fensch
Re: @ Inversion de la polarité Batterie ( )
Non, ils doivent parler de ça ....
Pour le fun
, les photos de la batterie le plus à gauche, le moins à droite (sur un DCI)
Le moins à droite (sur un DCI)
Pour le fun
Le moins à droite (sur un DCI)
- morille52
- Messages : 927
- Inscription : 19 mai 2007, 22:46
- Localisation : FRANCE - (52) - Hot-Marne - Langres
Re: @ Inversion de la polarité Batterie ( )
Pièce peut-être commune à espace ou autre Renault ?Spaza a écrit :Non, ils doivent parler de ça ....
-
olive78
- Messages : 878
- Inscription : 13 mars 2007, 23:57
- Localisation : FRANCE - (78) - Yvelines - Maisons-Laffitte
Re: @ Inversion de la polarité Batterie ( )
C'est dans le MR.Spaza a écrit :Dans quel document as tu trouvé l'infos ?
-
ag17
- Donateur 2016 & 2019 [Merci !]
- Messages : 1871
- Inscription : 04 janv. 2010, 11:27
- Localisation : FRANCE- (79) - Deux Sèvres -
Re: @ Inversion de la polarité Batterie ( )
Aïe, ça pique, j'avais mal lu et cru chargé la batterie à l'envers, au lieu de changer! D’où l' hypothèse des diodes seules à changer sur l'alternateur et moins y en a mieux c'est. Mais à lire la suite...c'est sûr les diodes ont dues explosées (environ 200 à 300 A par diodes au moins pour environ 50A de courant nominal) En principe si le contact n'a pas été mis le calculateur devrait être épargné, mais d'autres pièces sont sans doute touchées:faisceau de câbles, radio-mémoire, fermeture centralisée, anti-démarrage... ? brrr mauvaise l'année en 13
. ( J'ai "gagné" la foudre sur la maison avec rupture de neutre et alim en triphasé... peu d'appareils ont résisté !)
Par contre le démarreur ? je ne vois pas pourquoi
.Et il semble possible de récupérer le fusible de départ de la borne+ dans une casse, si le faisceau n'est pas atteint
.
Par contre le démarreur ? je ne vois pas pourquoi
Re: @ Inversion de la polarité Batterie ( )
Pour spaza, mon demareur ne tournait plus qu'une fois de temps en temps, d'ou le déchargement de la batterie qui était arrivée en fin de vie , d'ou la suite que vous connaissez, oui c'est bien le fusible en photo à coté de la batterie il est solidaire du cable et ne peut etre changé seul ( selon le garage )
- Spaza
- Messages : 4864
- Inscription : 24 avr. 2011, 23:29
- Localisation : FRANCE - (57) - Moselle - Vallée de la Fensch
Re: @ Inversion de la polarité Batterie ( )
http://www.autoelectricsupplies.fr/prod ... ategory/26
Avec une cosse au bout du câble, ça doit pas couter 1500 euros et ça fait le même effet, en plus c'est deconnectable ....
Avec une cosse au bout du câble, ça doit pas couter 1500 euros et ça fait le même effet, en plus c'est deconnectable ....
- morille52
- Messages : 927
- Inscription : 19 mai 2007, 22:46
- Localisation : FRANCE - (52) - Hot-Marne - Langres
Re: @ Inversion de la polarité Batterie ( )
Trouvaille intérréssante Spaza , par contre pour sertir de telles cosses il faut une pince spécialement dédiée à ça , pour cela se rapprocher d'un électricien
Pince de ce type : http://www.ebay.fr/itm/PINCE-A-SERTIR-E ... 237wt_1117
Pince de ce type : http://www.ebay.fr/itm/PINCE-A-SERTIR-E ... 237wt_1117
-
ag17
- Donateur 2016 & 2019 [Merci !]
- Messages : 1871
- Inscription : 04 janv. 2010, 11:27
- Localisation : FRANCE- (79) - Deux Sèvres -
Re: @ Inversion de la polarité Batterie ( )
On peut "éviter" de sertir, si on possède un bon "gros" fer à souder, mini 100 W du type régulé en température, ou monté sur lampe soudogaz
.

